Peugeot BB et dérivés
Forum de passionnés des cyclos Peugeot anciens

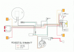
schema elec GL 10 modèle 77



pif le chien
Pro du cyclo
schema elec GL 10 modèle 77
Bonjour ;

je ressuis le faisceau de ma GL 10modèle 77 avec bobine d'allumage externe et clignotants.

Il n'y a pas de batterie sur la mienne, mais il y a un emplacement et deux fils qui "pendouillent" (un bleu et un gros blanc).
Comme je ne trouve pas de schéma qui correspond à mon cas, j'ai relevé l'existant de mon faisceau et j'ai fait ce croquis.
Est-ce que quelqu'un peut me dire si c'est bien une batterie qui manque dans la zone inconnue que j'ai repéré avec un point d'interrogation, il ne manque que la batterie ou il y a un condo ou un redresseur en plus avec la batterie ?
Je remettrai le croquis à jour si quelqu'un me renseigne.
Merci par avance...

PIF




PS : sur le rendu du schéma ci-dessus, je vois que les fils bleus sont devenus noirs, j'essaierai de rendre le dessin plus lisible si je le fini.
McBB
Administrateur
oui, c'est une batterie et le bloc est une diode redresseuse
pif le chien
Pro du cyclo
Merci pour la réponse.

J'ai donc complété mon schéma, si ça peut servir à d'autres...
Ca doit etre le même faisceau sur les 103 de mêmes années je suppose.
Si vous voyez des erreurs sur le schéma, dites moi pour que je le corrige.


McBB
Administrateur
Ca ma l'air tout bon, y'a plus qu'à le faire marcher ... Wink
Répondre
PREMIUM
3€ / mois

Devenez Membre Premium de ce forum et profitez d'incroyables avantages !
A propos de ce forum
Discussion au sujet des GT/GL10, TSA, SX, et autres